Hallo Leute,
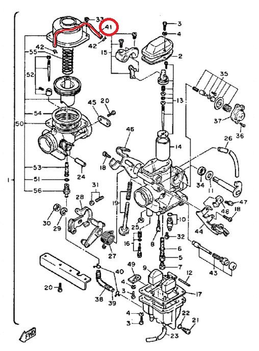
dieser Schlauch (41) (Verbindet die beiden Vergaser) ist bei mir am Sekundärvergaser am Nippel mehr schlecht als recht angeklebt und könnte dort undicht sein.
Welche Funktion hat der Schlauch?
Vielen Dank im Voraus für Eure Hilfe und einen schönen Sonntag noch!
Verbindungsschlauch zwischen Vergasern
-
kayu
- Beiträge: 437
- meble kuchenne Ruda Śląska Rybnik Tychy
- Registriert: So 16. Feb 2020, 11:28
- Wohnort: Köln
Verbindungsschlauch zwischen Vergasern
_____________________________________
the wrencher formerly known as nicoh
Yamaha XT 600 Z Ténéré 34L
the wrencher formerly known as nicoh
Yamaha XT 600 Z Ténéré 34L
Re: Verbindungsschlauch zwischen Vergasern
Der hier?
Ein Unterdruckschlauch, der ist funktionsrelevant. Ersetzen. Eine Schlauchschelle oder ein Blumendraht helfen, wenn du keine Metall-Schlauchclips hast. Ein frischer Schlauch sitzt so eng, dass du keine Sicherung benötigst.
Stef
Stef
Re: Verbindungsschlauch zwischen Vergasern
Ja genau der.
Weiß jemand, was die genaue Funktion des Schlauches ist?
Weiß jemand, was die genaue Funktion des Schlauches ist?
_____________________________________
the wrencher formerly known as nicoh
Yamaha XT 600 Z Ténéré 34L
the wrencher formerly known as nicoh
Yamaha XT 600 Z Ténéré 34L
Re: Verbindungsschlauch zwischen Vergasern
Der Schlauch erzeugt Unterdruck im Schubanreicherungsventil (am linken Primärvergaser). Das Ventil ist dazu da, im Schiebebetrieb Patschen zu verhindern. Der Schlauch ist sozusagen die Leitung des An/Aus-Schalters für das Ventil.
Stef
Stef