Ich hab dieses Sieb gegen einen Benzinfilter getauscht, weil oberhalb der Membrane ziemlich viel dreck war.
Die alten Vergaser belüften diesen Raum übrigens ansaugseitig direkt am Stutzen.
Gruß
Hans
Anschluss am Sekundärvergaser
-
Hiha
- Beiträge: 3422
- meble kuchenne Ruda Śląska Rybnik Tychy
- Registriert: Di 1. Jul 2003, 09:15
-
pater
Re: Anschluss am Sekundärvergaser
Danke für die Bilder,
da da ja nicht viel Luft durch muss werd ich einfach nen kleinen LuFi als Schutz vor Dreck drauf machen und fertig.
Tiefe Wasserdurchfahrten hab ich eher selten...
da da ja nicht viel Luft durch muss werd ich einfach nen kleinen LuFi als Schutz vor Dreck drauf machen und fertig.
Tiefe Wasserdurchfahrten hab ich eher selten...
Re: Anschluss am Sekundärvergaser
Liebe Leut,Steffen hat geschrieben: ↑Mo 6. Jun 2022, 13:05Hallo pater.
Das ist ein Luftanschluss. Entweder Du machst den Schlauch mit Filter drauf - kann ich Dir schicken, wenns sein soll - oder Du lässt ihn einfach offen.
Unbenannt.jpg
Sauber machen tut dem Vergaser vor der Montage auch ganz gut
Brauchst Du nen Vergaser-Komplett-Dichtsatz? Ich habe einen über, für den will ich 22 Euro inkl. Versand haben. Bei Interesse schick mir eine Mail
Gutes Gelingen
Stef
hat evtl wer ein Bild vom Schieber und Nadel des Sekundärvergasers?
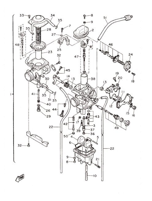
Auf der Grafik vom Stef ist es leider nicht sooo gut zu erkennen, wie der wieder zusammen gehört...
Vielen Dank,
Grüße,
Georg
Re: Anschluss am Sekundärvergaser
Teil 48Pater23 hat geschrieben: ↑Mi 15. Jun 2022, 09:28Liebe Leut,Steffen hat geschrieben: ↑Mo 6. Jun 2022, 13:05Hallo pater.
Das ist ein Luftanschluss. Entweder Du machst den Schlauch mit Filter drauf - kann ich Dir schicken, wenns sein soll - oder Du lässt ihn einfach offen.
Unbenannt.jpg
Sauber machen tut dem Vergaser vor der Montage auch ganz gut
Brauchst Du nen Vergaser-Komplett-Dichtsatz? Ich habe einen über, für den will ich 22 Euro inkl. Versand haben. Bei Interesse schick mir eine Mail
Gutes Gelingen
Stef
hat evtl wer ein Bild vom Schieber und Nadel des Sekundärvergasers?
Auf der Grafik vom Stef ist es leider nicht sooo gut zu erkennen, wie der wieder zusammen gehört...
Vielen Dank,
Grüße,
Georg