Tenere 55 w startet nicht Zündkerze trocken
- Steffen
- Beiträge: 4722
- meble kuchenne Ruda Śląska Rybnik Tychy
- Registriert: Di 18. Mär 2008, 18:08
Re: Tenere 55 w startet nicht Zündkerze trocken
Ou man, worauf man alles achten muss, ums idiotensicher zu formulieren! Bei Max sicher nicht nötig, aber völlig angebracht, der Hinweis.
Auf solche Schwachsinnsideen muss man erstmal kommen... Darwin Award?
Stef
Auf solche Schwachsinnsideen muss man erstmal kommen... Darwin Award?
Stef
Re: Tenere 55 w startet nicht Zündkerze trocken
Ja, bei der Formulierung muss man aufpassen. Der nächste liest es nicht richtig oder missversteht es und zack, ist es passiert. Ist ja auch nicht vorwurfsvoll gemeint, sondern soll "Unwissende" vor einem Unglück bewahren.
Beim Darwin Award hätte sowas sicher auch einen guten Platz
Gruß
Sven
Beim Darwin Award hätte sowas sicher auch einen guten Platz
Gruß
Sven
WR 450 F(06er), XT 600E 3UW offen, XTZ 660 3YF, XTZ 850 mit 3VD, XT 750 Scrambler, XV 750 SE Chopper Umbau, XS 1100 Gespann, Grizzly 660
Re: Tenere 55 w startet nicht Zündkerze trocken
Zündfähiges Gemisch am Elektromotor war noch nie eine gute Idee 
Grüße, Stücki
aus: Steiermark, Österreich
Motorräder:
aus: Steiermark, Österreich
Motorräder:
- Yamaha XT 600E DJ02 (BJ 1999)
- Kawasaki ZX-6R 636 Ninja (BJ 2003)
- Kawasaki ZX-6R Ninja (BJ 1996)
- Daelim Otello SG125F (BJ 2005)
- Sym Maxsym TL 500 (BJ 2020)
Re: Tenere 55 w startet nicht Zündkerze trocken
Je nach dahintersteckender Absicht
Grüße, Henner
Admin XT600.de und XT-FOREN.DE
Ex: 3TB 4PTY EZ 98 - 4x 1VJ unterschiedlicher Baujahre - Umgestiegen auf nen V8 mit 5.7L
Admin XT600.de und XT-FOREN.DE
Ex: 3TB 4PTY EZ 98 - 4x 1VJ unterschiedlicher Baujahre - Umgestiegen auf nen V8 mit 5.7L
Re: Tenere 55 w startet nicht Zündkerze trocken
Hallo um wieder zum eigentlichen Thema zurückzukommen.
Die Ansaugstuzen habe ich getauscht --> keine Veränderung es tut sich nichts und die Zündkerze bleibt trocken!!
Habe dann auch mal die Zündspule und den Kerzenstecker getauscht --> keine Veränderung
Ich habe auch den Killschalter abgesteckt aber keine Veränderung.
Zündunke ist nach wie vor da auch bläulich aber die Zündkerze bleibt immer trocken und die Maschine springt nicht also es tut sich quasi gar nichts als wäre sie "tod" nach ganz vielen tritten kann es mal ein lautes knallen aus dem Auspuff geben aber das wars dann auch.
Hat jemand noch weitere Ideen?
Wie genau kann ich die Lichtmaschine messen auch die Kondensatorwicklung? Bitte um detailierte beschreibung da ich in der Elektrik nicht gerade ein Experte bin. Rot gegen Braun habe ich ja bereits mit einer Wiederstandsmessung gemessen.
Grüße
Die Ansaugstuzen habe ich getauscht --> keine Veränderung es tut sich nichts und die Zündkerze bleibt trocken!!
Habe dann auch mal die Zündspule und den Kerzenstecker getauscht --> keine Veränderung
Ich habe auch den Killschalter abgesteckt aber keine Veränderung.
Zündunke ist nach wie vor da auch bläulich aber die Zündkerze bleibt immer trocken und die Maschine springt nicht also es tut sich quasi gar nichts als wäre sie "tod" nach ganz vielen tritten kann es mal ein lautes knallen aus dem Auspuff geben aber das wars dann auch.
Hat jemand noch weitere Ideen?
Wie genau kann ich die Lichtmaschine messen auch die Kondensatorwicklung? Bitte um detailierte beschreibung da ich in der Elektrik nicht gerade ein Experte bin. Rot gegen Braun habe ich ja bereits mit einer Wiederstandsmessung gemessen.
Grüße
Re: Tenere 55 w startet nicht Zündkerze trocken
Hui, jetzt wird es kniffelig.
Also das mit der Lima messen, das hast du bereits gemacht. Die Zündwicklung kann zwar nicht funktzionieren und dennoch normale Messwerte liefern, aber wenn du einen Zündfunken hast, dann zündet sie ja.
Aber wenn deine Kerze immernoch trocken ist nach 20x kicken mit gezogenem Choke - dann ist dein Vergaser einfach nicht in Ordnung. Normalerweise muss die XT dann zumindest nach Benzingemisch riechen (also um die Kerze herum). Demnach würde ich jetzt nicht weiter an der Elektrik, der Zündung oder gar der CDI suchen.
Andererseits muss ja Gemisch rein kommen - was sollte sonst im Auspuff knallen? Wohnst du an einem Hang und kannst runter rollen? Zündung an, 2. Gang rein und bei etwa "Renngeschwindigkeit" die Kupplung loslassen und gleichzeitig aus dem Stand in den Rasten auf die Sitzbank plumpsen. Wenn sie dann angeht, dann ist es möglicherweise eine schleichend kaputt gehende Lichtmaschine, die ähnliche Symptome liefert wie ein Drehzahlbegrenzer: sie lässt einige der Zündungen ausfallen. Meiner Beobachtung nach gehen die der Modelle bis '89/'90 gerade alle mehr oder weiniger deutlich kaputt.
Ist dein Luftfilter eigentlich offen oder ausgebaut?
Hast du mal alle Stecker am Kabelbaum geöffnet und die Kontakte entkorrodiert?
Stef
Also das mit der Lima messen, das hast du bereits gemacht. Die Zündwicklung kann zwar nicht funktzionieren und dennoch normale Messwerte liefern, aber wenn du einen Zündfunken hast, dann zündet sie ja.
Aber wenn deine Kerze immernoch trocken ist nach 20x kicken mit gezogenem Choke - dann ist dein Vergaser einfach nicht in Ordnung. Normalerweise muss die XT dann zumindest nach Benzingemisch riechen (also um die Kerze herum). Demnach würde ich jetzt nicht weiter an der Elektrik, der Zündung oder gar der CDI suchen.
Andererseits muss ja Gemisch rein kommen - was sollte sonst im Auspuff knallen? Wohnst du an einem Hang und kannst runter rollen? Zündung an, 2. Gang rein und bei etwa "Renngeschwindigkeit" die Kupplung loslassen und gleichzeitig aus dem Stand in den Rasten auf die Sitzbank plumpsen. Wenn sie dann angeht, dann ist es möglicherweise eine schleichend kaputt gehende Lichtmaschine, die ähnliche Symptome liefert wie ein Drehzahlbegrenzer: sie lässt einige der Zündungen ausfallen. Meiner Beobachtung nach gehen die der Modelle bis '89/'90 gerade alle mehr oder weiniger deutlich kaputt.
Ist dein Luftfilter eigentlich offen oder ausgebaut?
Hast du mal alle Stecker am Kabelbaum geöffnet und die Kontakte entkorrodiert?
Stef
Re: Tenere 55 w startet nicht Zündkerze trocken
Ich hab den Luftfilter heute auch ausgebaut und es getestet aber es ergab keinen Unterschied.Ist dein Luftfilter eigentlich offen oder ausgebaut?
Habe zumindest alle mal geöffnet und mit Kontaktspray oder Mulltiöl geflutet..Hast du mal alle Stecker am Kabelbaum geöffnet und die Kontakte entkorrodiert?
Das mit dem anschieben rollen kann ich mal noch versuchen
Kann der Fehler auch mit dem Dekompressionsmechanismus zusammenhängen? Oder mit zu geringer Kompression und das dadurch die Zündkerze nicht nass wird?
Was ich halt komisch finde ist das es aufeinmal nicht mehr ging. Ich hatte bei der letzten Probefahrt als die Xt noch angesprungen ist häufiger mal Auspuff patschen.
Re: Tenere 55 w startet nicht Zündkerze trocken
Also Auspuffpatschen kommt ja erstmal daher, dass unverbranntes Gemisch im Krümmer und Endtopf landet und sich entweder da an der heissen Krümmerwand entzündet (das fällt bei Dir in kaltem Zustand aus) oder dass der Motor "durchzündet", also das Gemisch auch in der Abgasanlage zündet, allerdings gezündet durch den Zündfunken.
An dieser Stelle eine Bitte an die Mitlesenden: bitte korrigiert und ergänzt mich bei Fehlern! Gerade auch unten bie den Ausdrehungen der LLGRS
Demnach ist dein Zündfunke vorhanden. Zumindest manchmal. Wenn deine Zündwicklung wie zuvor gesagt langsam kaputt geht, dann kann das genau so ein Symptom erzeugen: ab und an zündet sie, es würde im Betrieb bei laufendem Motor zum laufen reichen - mit Zündaussetzern - aber zum Starten eben nicht. Da hilft es, die Leerlaufdrehzahl an der Leerlaufeinstellschraube zu erhöhen! So dass die warme XT etwa auf 1500U/min im Leerlauf ohne Choke läuft. Da Deine XT nicht anspringt, kannst Du das so nicht einstellen. Daher einfach die Leerlaufeinstellschraube 1-2 Umdrehungen eindrehen.
Probier das mal als erstes aus, dass ist easy.
Das Patschen beim Kicken kann natürlich durch einen falsch eingestellten Deko-Zug kommen, ja. Den Zug kannst du so prüfen:
in unbespanntem Zustand - also kurz, nachdem er ausgehebelt und wieder zurück geschnappt ist - muss der Zug 0,5mm Spiel haben und der Hebel in Zugrichtung wackeln können (siehe Pic unten).
Die Ventile kannst du Sichtprüfen, indem du in den Ansaugstutzen und den abgebauten Krümmerflansch am Motor hinein leuchtest. Verkohlte Ventile oder gar ein verbogenes Ventil oder ein angebrochener Ventilteller sorgen natürlich auch für Falschluft. Dann solltest du den Motor nicht mehr weiter drehen (!) und den Kopf abnehmen. Eine Reparatur geht auch mit Hausmitteln bei unserem nicht sehr empfindlichen "Traktormotor".
Möglicherweise patscht dein Motor auch wegen eines undichten Krümmers. Wir hatten hier mal sehr ausführlich darüber diskutiert, wie das thermodynamisch möglich ist und wie die genauen Vorgänge sind - letzteres erfolglos. Dennoch ist es eine Tatsache, dass die Motoren über undichte Krümmer Falschluft ansaugen können.
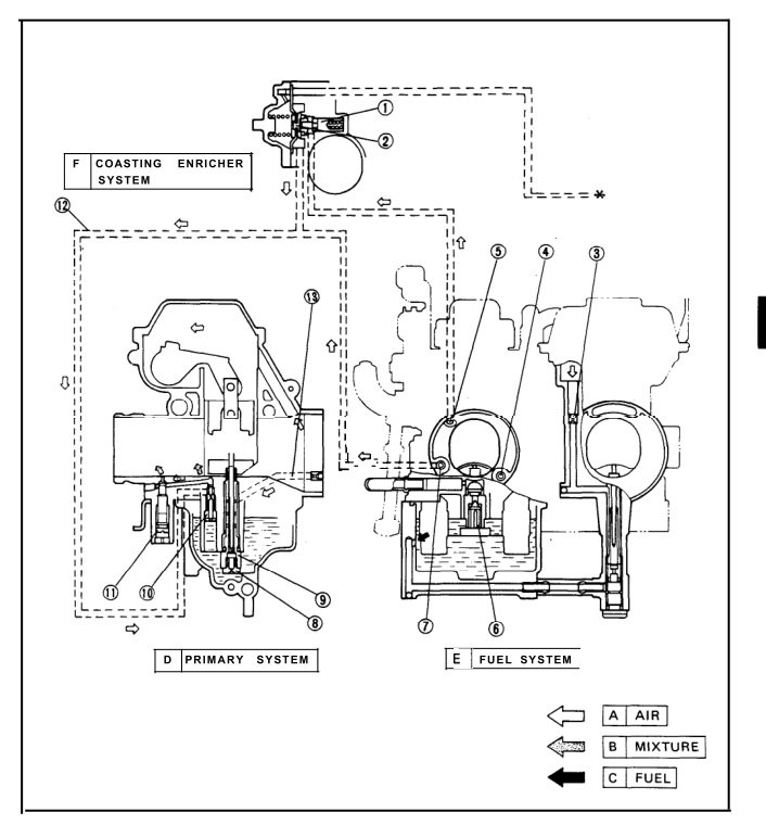
Also schau mal, ob du deinen Krümmer frisch abgedichtet bekommst (alte Dichtungen erkennt mam manchmal gar nicht mehr als solche, da sie aussehen wie ein Teil des Motors) und ob dein Endtopf am Übergang zum Krümmer dicht ist. Du kannst auch einfach eine zusätzliche Krümmerdichtung verbauen, eine mehr macht nichts. Dann machst du deinen Luftfilter sauber (mit Druckluft ausblasen oder erneuern, ich empfehle einen K&N Luftffilter) und stellst die Leerlaufgemischregulierschraube (Llgrs, Pos. 11 im Schema-Bild unten) richtig ein. Dazu drehst du sie sanft (!) bis auf Anschlag ein und dann wieder die enstsprechende Anzahl aus. Bei deinem alten Vergaser müssten das 2,5 bis 3 Ausdrehungen sein.
Good luck
An dieser Stelle eine Bitte an die Mitlesenden: bitte korrigiert und ergänzt mich bei Fehlern! Gerade auch unten bie den Ausdrehungen der LLGRS
Demnach ist dein Zündfunke vorhanden. Zumindest manchmal. Wenn deine Zündwicklung wie zuvor gesagt langsam kaputt geht, dann kann das genau so ein Symptom erzeugen: ab und an zündet sie, es würde im Betrieb bei laufendem Motor zum laufen reichen - mit Zündaussetzern - aber zum Starten eben nicht. Da hilft es, die Leerlaufdrehzahl an der Leerlaufeinstellschraube zu erhöhen! So dass die warme XT etwa auf 1500U/min im Leerlauf ohne Choke läuft. Da Deine XT nicht anspringt, kannst Du das so nicht einstellen. Daher einfach die Leerlaufeinstellschraube 1-2 Umdrehungen eindrehen.
Probier das mal als erstes aus, dass ist easy.
Das Patschen beim Kicken kann natürlich durch einen falsch eingestellten Deko-Zug kommen, ja. Den Zug kannst du so prüfen:
in unbespanntem Zustand - also kurz, nachdem er ausgehebelt und wieder zurück geschnappt ist - muss der Zug 0,5mm Spiel haben und der Hebel in Zugrichtung wackeln können (siehe Pic unten).
Die Ventile kannst du Sichtprüfen, indem du in den Ansaugstutzen und den abgebauten Krümmerflansch am Motor hinein leuchtest. Verkohlte Ventile oder gar ein verbogenes Ventil oder ein angebrochener Ventilteller sorgen natürlich auch für Falschluft. Dann solltest du den Motor nicht mehr weiter drehen (!) und den Kopf abnehmen. Eine Reparatur geht auch mit Hausmitteln bei unserem nicht sehr empfindlichen "Traktormotor".
Möglicherweise patscht dein Motor auch wegen eines undichten Krümmers. Wir hatten hier mal sehr ausführlich darüber diskutiert, wie das thermodynamisch möglich ist und wie die genauen Vorgänge sind - letzteres erfolglos. Dennoch ist es eine Tatsache, dass die Motoren über undichte Krümmer Falschluft ansaugen können.
Also schau mal, ob du deinen Krümmer frisch abgedichtet bekommst (alte Dichtungen erkennt mam manchmal gar nicht mehr als solche, da sie aussehen wie ein Teil des Motors) und ob dein Endtopf am Übergang zum Krümmer dicht ist. Du kannst auch einfach eine zusätzliche Krümmerdichtung verbauen, eine mehr macht nichts. Dann machst du deinen Luftfilter sauber (mit Druckluft ausblasen oder erneuern, ich empfehle einen K&N Luftffilter) und stellst die Leerlaufgemischregulierschraube (Llgrs, Pos. 11 im Schema-Bild unten) richtig ein. Dazu drehst du sie sanft (!) bis auf Anschlag ein und dann wieder die enstsprechende Anzahl aus. Bei deinem alten Vergaser müssten das 2,5 bis 3 Ausdrehungen sein.
Good luck
Re: Tenere 55 w startet nicht Zündkerze trocken
Von Seite 1:
Hat eventuell einer der Ansaugstutzen einen Unterdruckanschluss (der wäre dann von einem späteren Modell wegen Benzinpumpe) und der Anschluss ist nicht verschlossen worden? Wobei selbst dann muss der Motor anspringen aber halt recht mager laufen.
Gryße!
Andreas, der motorang
Die Dichtung (O-Ring) zwischen Ansaugstutzen und Motor ist eingebaut, ja?
Hat eventuell einer der Ansaugstutzen einen Unterdruckanschluss (der wäre dann von einem späteren Modell wegen Benzinpumpe) und der Anschluss ist nicht verschlossen worden? Wobei selbst dann muss der Motor anspringen aber halt recht mager laufen.
Gryße!
Andreas, der motorang
___
Hübsch aussehen alleine reicht eben nicht - man muss auch Bier trinken können.
Hübsch aussehen alleine reicht eben nicht - man muss auch Bier trinken können.
Re: Tenere 55 w startet nicht Zündkerze trocken
Die Dichtung (O-Ring) zwischen Ansaugstutzen und Motor ist eingebaut, ja?
ja die sind verbaut.
Hat einen unterdruckanschluss dieser ist jedoch verschlossen.Hat eventuell einer der Ansaugstutzen einen Unterdruckanschluss (der wäre dann von einem späteren Modell wegen Benzinpumpe) und der Anschluss ist nicht verschlossen worden? Wobei selbst dann muss der Motor anspringen aber halt recht mager laufen.
Ich habe die Leerlaufdrehzahl extra schon sehr hoch geschraubt.Leerlaufdrehzahl an der Leerlaufeinstellschraube zu erhöhen
Luffilterschwam ist neu.Luftfilter sauber (mit Druckluft ausblasen oder erneuern, ich empfehle einen K&N Luftffilter)
Laut Buch sind es drei Umdrehungen und soweit habe ich die Einstellschraube auch rausgedreht.Bei deinem alten Vergaser müssten das 2,5 bis 3 Ausdrehungen sein.
Zu knappes Ventilspiel bzw ein aushebelnder Deko (schlecht eingestellter oder verlegter Zug) könnte auch sein. In beiden Fällen kaum Kompression, ergo kaum Unterdruck der Benzin aus dem Vergaser zieht.
Ich prüfe das Ventilspiel nochmal wobei ich das schon eingestellt habe und danach lief die XT. Also der Kompressionsmechanismus an sich funktioniert. Bei der Einstellung versuche ich das noch mit dem Bild abzugleichen evlt. mache ich auch ein Video und stell es im dem Thread zur Verfügung dann könnt ihr sehen ob es so passt oder nicht.
Ich versuche das mit dem Anschieben sobald ich dazu komme mal noch. Habt ihr noch weitere Möglichkeiten was ich prüfen könnte. Ich glaube das Hauptproblem ist das die Zündkerze nicht nass wird.
Danke im Vorraus. Grüße Max