Schlauchfrage
-
ckaruso
- Beiträge: 114
- meble kuchenne Ruda Śląska Rybnik Tychy
- Registriert: Fr 22. Jul 2016, 13:26
- Wohnort: 15345
Schlauchfrage
Hallo,
nachdem der Vergaser drin ist ahbe ich noch ne Frage woo 2 Schläche hinkommen bzw. hingehen. Der Ausbau ist ja schon eine Weile her.
Ich hoffe ich kann etwas anhängen.
Scheint zu funktionieren.
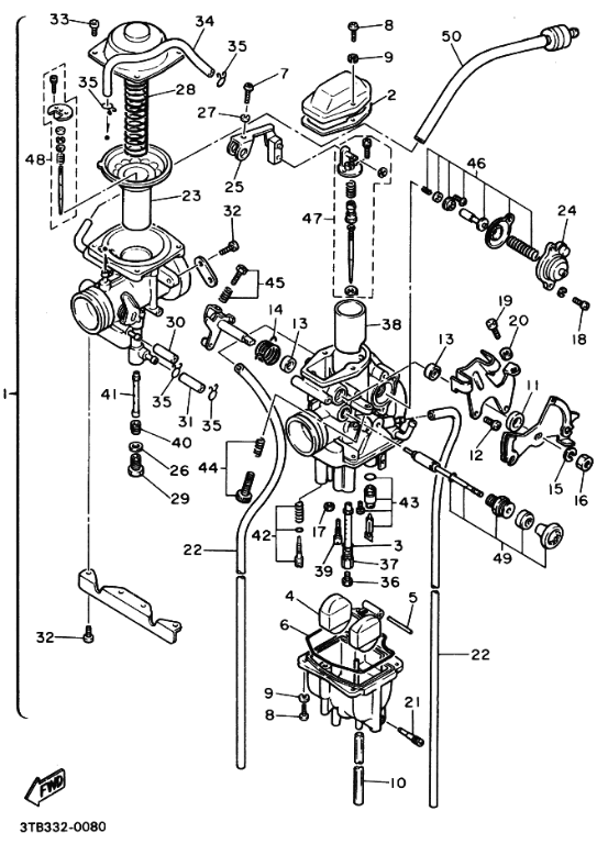
Welcher Schlauch wird von Schelle 6 gehalten also wo kommt er her, wo geht er hin?
Wo geht dieser dicke Schlauch hin der oben links am Vegaser angesteckt wird?
Gruß Christian
nachdem der Vergaser drin ist ahbe ich noch ne Frage woo 2 Schläche hinkommen bzw. hingehen. Der Ausbau ist ja schon eine Weile her.
Ich hoffe ich kann etwas anhängen.
Scheint zu funktionieren.
Welcher Schlauch wird von Schelle 6 gehalten also wo kommt er her, wo geht er hin?
Wo geht dieser dicke Schlauch hin der oben links am Vegaser angesteckt wird?
Gruß Christian
XT 600E 3TB 4PT1 Bj. 1995
Re: Schlauchfrage
Hallo,
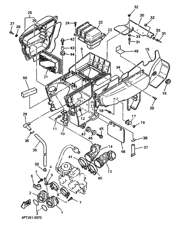
noch ein 2te Bild und da gehts mir um das Rohr mit der Nr. 50. Wo geht das hin??
noch ein 2te Bild und da gehts mir um das Rohr mit der Nr. 50. Wo geht das hin??
XT 600E 3TB 4PT1 Bj. 1995
Re: Schlauchfrage
Ich habe eine TTE, aber der die Vergaser sind ja ähnlich.
Bei der TTE wird der Schlauch Richtung Luftfilter unter die Sitzbank geführt, wo er dann als Ventil (?) liegt. Schau mal hier: https://www.xt600.de/xt_werkstatt/+spec ... rgaser.htm (letzter Satz Absatz "Allgemeines").
Maybach
Bei der TTE wird der Schlauch Richtung Luftfilter unter die Sitzbank geführt, wo er dann als Ventil (?) liegt. Schau mal hier: https://www.xt600.de/xt_werkstatt/+spec ... rgaser.htm (letzter Satz Absatz "Allgemeines").
Maybach
Re: Schlauchfrage
Jallo,
also liegt der Schlauch einfach nur da rum? Gut aber ein Kabelbinder zum fixieren werde ich benutzen.
Danke
Für Schlauch 6 keine Idee?
also liegt der Schlauch einfach nur da rum? Gut aber ein Kabelbinder zum fixieren werde ich benutzen.
Danke
Für Schlauch 6 keine Idee?
XT 600E 3TB 4PT1 Bj. 1995
Re: Schlauchfrage
Der Halter könnte von einem Überlaufschlauch sein. Wenn ich am Wochenende zuhause bin, schau ich mal an meiner XT.
WR 450 F(06er), XT 600E 3UW offen, XTZ 660 3YF, XTZ 850 mit 3VD, XT 750 Scrambler, XV 750 SE Chopper Umbau, XS 1100 Gespann, Grizzly 660
Re: Schlauchfrage
Hallo,
danke fürs nachsehen und evtl. mit Foto bitte.
Gruß Christian
danke fürs nachsehen und evtl. mit Foto bitte.
Gruß Christian
XT 600E 3TB 4PT1 Bj. 1995
- christian78
- Beiträge: 5440
- Registriert: Do 14. Okt 2010, 17:15
Re: Schlauchfrage
Gehört so.
Das ist die Ent/Belüftung vom Raum über dem Membrane.
Im Luftfilterkasten angeschlossen würden wechselnde Druckverhältnisse die Membrane beeinflussen, deshalb liegt das Ding einzeln rum.
Das Ende muss halt offen bleiben.
Das ist die Ent/Belüftung vom Raum über dem Membrane.
Im Luftfilterkasten angeschlossen würden wechselnde Druckverhältnisse die Membrane beeinflussen, deshalb liegt das Ding einzeln rum.
Das Ende muss halt offen bleiben.
Ich wohn zwar nicht am Arsch der Welt, aber man kann ihn von hier aus hervorragend sehen!
Re: Schlauchfrage
Okay, dann fixiere ich den Schlauch mit einem Kabelbinder. Was ist mit dem Schlauch der in der Schelle 6 fixiert ist?
Gruß Christian
Gruß Christian
XT 600E 3TB 4PT1 Bj. 1995
Re: Schlauchfrage
Ich schau morgen bei Tageslicht nach dem Schlauch, da muss ich eh schrauben.
WR 450 F(06er), XT 600E 3UW offen, XTZ 660 3YF, XTZ 850 mit 3VD, XT 750 Scrambler, XV 750 SE Chopper Umbau, XS 1100 Gespann, Grizzly 660
- christian78
- Beiträge: 5440
- Registriert: Do 14. Okt 2010, 17:15
Re: Schlauchfrage
Ist das ein Wasserablauf vom Lufikasten?Was ist mit dem Schlauch der in der Schelle 6 fixiert ist?
Ich wohn zwar nicht am Arsch der Welt, aber man kann ihn von hier aus hervorragend sehen!