34L - Kabelbaum verbessern
-
re.ha.hl
- Beiträge: 22
- meble kuchenne Ruda Śląska Rybnik Tychy
- Registriert: Mo 27. Jan 2020, 19:31
34L - Kabelbaum verbessern
Grüß euch!
Ich baue derzeit eine 34L neu auf und bin jetzt bei der Elektrik angekommen:
Verbaut war ein modifizierter Kabelbaum (wahrscheinlich 1VJ) inkl. 43F-CDI (mit 5er-Stecker, 3 Einzelkabel und ein 3er-Stecker)
Er hat einige Umbauten (Hupenverlängerung, Seitenständerschalter überbrückt, ua mit Blockklemmen zusätzlich eingefügte Kabel)
Ich habe einen originalen 34L-Kabelbaum inkl. 34L-CDI (5er-Stecker 3 Einzelkabel) aus meinem Ersatzteilspender der perfekt aussieht, keine Scheuerstellen hat, alle Stecker dran sind und nichts vergammelt oder verschmort ist.
Meine Frage:
Gibt es sinnvolle Verbesserungen für den Kabelbaum, die ich vor dem Einbau machen könnte/sollte ??
Stichwort: Lichtstärke stabilisieren und möglicher Kriechstrom zum Regler
oder soll ich ihn ohne Zusatz einbauen?
schöne Grüße aus dem Weinviertel
in Niederösterreich,
Reinhard
Ich baue derzeit eine 34L neu auf und bin jetzt bei der Elektrik angekommen:
Verbaut war ein modifizierter Kabelbaum (wahrscheinlich 1VJ) inkl. 43F-CDI (mit 5er-Stecker, 3 Einzelkabel und ein 3er-Stecker)
Er hat einige Umbauten (Hupenverlängerung, Seitenständerschalter überbrückt, ua mit Blockklemmen zusätzlich eingefügte Kabel)
Ich habe einen originalen 34L-Kabelbaum inkl. 34L-CDI (5er-Stecker 3 Einzelkabel) aus meinem Ersatzteilspender der perfekt aussieht, keine Scheuerstellen hat, alle Stecker dran sind und nichts vergammelt oder verschmort ist.
Meine Frage:
Gibt es sinnvolle Verbesserungen für den Kabelbaum, die ich vor dem Einbau machen könnte/sollte ??
Stichwort: Lichtstärke stabilisieren und möglicher Kriechstrom zum Regler
oder soll ich ihn ohne Zusatz einbauen?
schöne Grüße aus dem Weinviertel
in Niederösterreich,
Reinhard
Re: 34L - Kabelbaum verbessern
Immer hilfreich ist eine Stromversorgung des Hauptscheinwerfers (Fahrlicht/Fernlicht) über einen parallelen Kabelbaum und Relais-Steuerung.
Das hat bei meiner 1VJ zu einem "es-wird-hell" Effekt geführt. Gleichzeitig wird dabei die Schaltereinheit am Lenker entlastet, da damit dann nur noch das Relais geschaltet wird und nicht der gesamte Strom, der auf die Lampe geht (>5A)...
Den Regler habe ich ebenfalls nicht mehr über den Kabelbaum an den Akku angeschlossen, sondern direkt an die Batterie geführt.
(Gleichzeitig noch den ranzigen original Regler ersetzt durch den "großen" von KEDO (mit Sense-Leitung), dabei noch den Bleiakku durch einen leichten, kleinen LiPo-Akku ersetzt und so Platz für den großen Regler geschaffen...)
Ist dann halt nicht mehr original, aber viel besser...
Das hat bei meiner 1VJ zu einem "es-wird-hell" Effekt geführt. Gleichzeitig wird dabei die Schaltereinheit am Lenker entlastet, da damit dann nur noch das Relais geschaltet wird und nicht der gesamte Strom, der auf die Lampe geht (>5A)...
Den Regler habe ich ebenfalls nicht mehr über den Kabelbaum an den Akku angeschlossen, sondern direkt an die Batterie geführt.
(Gleichzeitig noch den ranzigen original Regler ersetzt durch den "großen" von KEDO (mit Sense-Leitung), dabei noch den Bleiakku durch einen leichten, kleinen LiPo-Akku ersetzt und so Platz für den großen Regler geschaffen...)
Ist dann halt nicht mehr original, aber viel besser...
Grüße, Frederik - der 1VJ fährt.
Original ist schön und gut - ich fahre lieber
53.764 km
Projekt 2026: MEHR FAHREN! FAHREN! FAHREN!
Original ist schön und gut - ich fahre lieber
53.764 km
Projekt 2026: MEHR FAHREN! FAHREN! FAHREN!
Re: 34L - Kabelbaum verbessern
die Planung für die eigene Stromversorgung von Abblendlicht und Fernlicht ist im Gange. dafür brauche ich zwei Relais, wenn ich richtig liege.
Beim Regler hast du das Zündungsplus (Stromversorgung für den Regler) direkt zur Batterie gelegt? ich würde da in diese Leitung ein Relais einbauen, das sich mit dem Zündungsplus schalten lässt und dann die Verbindung zwischen Regler und Batterie herstellt.
Beim Regler hast du das Zündungsplus (Stromversorgung für den Regler) direkt zur Batterie gelegt? ich würde da in diese Leitung ein Relais einbauen, das sich mit dem Zündungsplus schalten lässt und dann die Verbindung zwischen Regler und Batterie herstellt.
Re: 34L - Kabelbaum verbessern
Regler direkt anschließen geht so:re.ha.hl hat geschrieben: ↑Di 13. Apr 2021, 18:40die Planung für die eigene Stromversorgung von Abblendlicht und Fernlicht ist im Gange. dafür brauche ich zwei Relais, wenn ich richtig liege.
Beim Regler hast du das Zündungsplus (Stromversorgung für den Regler) direkt zur Batterie gelegt? ich würde da in diese Leitung ein Relais einbauen, das sich mit dem Zündungsplus schalten lässt und dann die Verbindung zwischen Regler und Batterie herstellt.
Die 3 weißen aus der Lima auf direktem Weg ohne tausend Zwischenstecker(keine Ahnung wie das bei der 34L ist) am Regler anschließen. Zur Not einfach die Kabel im original Kabelbaum still legen und neue legen mit mindestens 1,5mm².
Masse vom Regler direkt zur Batterie(min. 2,5mm²)
Die dicke Plusleitung vom Regler ebenfalls direkt zur Batterie(min. 2,5mm² und keine Relais).
Die Senseleitung(die 6. beim großen Regler) kannst du direkt zum am Regler mit der dicken Plusleitung zusammen schließen. Die misst nur die Spannung und steuert den Regler dementsprechend. Da reicht 1,5mm² auf dem kurzen Stück.
Der Regler arbeitet nur wenn die Lima Spannung liefert, es braucht keine Unterbrechung in den Leitungen. Falls er doch die Batterie leer saugen würde, ist er defekt.
Beim Licht liegst du richtig, da brauchst du für jedes Licht ein extra Relais.
Falls du noch mehr Umbauten(Heizgriffe, Zusatzscheinwerfer, ...) geplant hast, empfiehlt sich gleich noch der Einbau eines Mehrfachsicherungshalters.
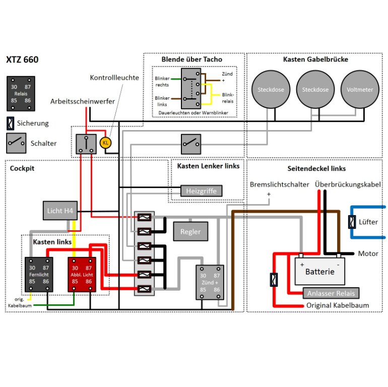
Hier im Anhang mal der Schaltplan meiner elektrisch gut ausgestatteten 660er
WR 450 F(06er), XT 600E 3UW offen, XTZ 660 3YF, XTZ 850 mit 3VD, XT 750 Scrambler, XV 750 SE Chopper Umbau, XS 1100 Gespann, Grizzly 660
Re: 34L - Kabelbaum verbessern
Die Schwierigkeit bei 34L, 55W und 1VJ ist, das die Mopetten so schlank sind, dass man nur schwierig Platz findet für zusätzliche elektrische Komponenten...
Du brauchst auf jeden Fall sehr kleine Relais, die wenig Strom verbrauchen.
Ich habe folgende Relais eines Motorrad-und-Elektronik-Enthusiasten aus Austria eingebaut:
http://shop.stromcraft.com/de/elektrik/ ... elais.html
Top Empfehlung!
Nicht billig, aber günstig aufgrund der gebotenen Leistung (Elektronisch, Wasserdicht, 10-15A Dauer, 100A kurzzeitig, Kurzschlussschutz, schaltet nahezu verlustlos (nur 3-4 Watt), und ist wirklich sehr klein!)
Du brauchst auf jeden Fall sehr kleine Relais, die wenig Strom verbrauchen.
Ich habe folgende Relais eines Motorrad-und-Elektronik-Enthusiasten aus Austria eingebaut:
http://shop.stromcraft.com/de/elektrik/ ... elais.html
Top Empfehlung!
Nicht billig, aber günstig aufgrund der gebotenen Leistung (Elektronisch, Wasserdicht, 10-15A Dauer, 100A kurzzeitig, Kurzschlussschutz, schaltet nahezu verlustlos (nur 3-4 Watt), und ist wirklich sehr klein!)
Grüße, Frederik - der 1VJ fährt.
Original ist schön und gut - ich fahre lieber
53.764 km
Projekt 2026: MEHR FAHREN! FAHREN! FAHREN!
Original ist schön und gut - ich fahre lieber
53.764 km
Projekt 2026: MEHR FAHREN! FAHREN! FAHREN!
Re: 34L - Kabelbaum verbessern
Wenn man nicht winters rumfährt kann man auf einen hübsch kleinen Lithium-Akku wechseln und hat im Batteriefach platz für Zusatzzeugs ... Relais passen unter die Lampenmaske.
Ich würde keinen Kabelbaum mehr zwischen Schutzblech und Gabelbrücke führen, sondern schön am Steuerkopf entlang und gut.
Gryße!
Andreas, der motorang
Ich würde keinen Kabelbaum mehr zwischen Schutzblech und Gabelbrücke führen, sondern schön am Steuerkopf entlang und gut.
Gryße!
Andreas, der motorang
___
Hübsch aussehen alleine reicht eben nicht - man muss auch Bier trinken können.
Hübsch aussehen alleine reicht eben nicht - man muss auch Bier trinken können.
Re: 34L - Kabelbaum verbessern
Die Batterie durch einen kleinen Lithium-Akku ersetzt (keinen Anlasser mehr), passende Halterung für den Batteriekasten gebaut und unten drunter den großen Gleichrichter geschraubt.
Die Moppeds haben wirklich wenig Platz. Unter meiner Frontmaske drängelt es sich...
Die Moppeds haben wirklich wenig Platz. Unter meiner Frontmaske drängelt es sich...
Grüße, Frederik - der 1VJ fährt.
Original ist schön und gut - ich fahre lieber
53.764 km
Projekt 2026: MEHR FAHREN! FAHREN! FAHREN!
Original ist schön und gut - ich fahre lieber
53.764 km
Projekt 2026: MEHR FAHREN! FAHREN! FAHREN!
Re: 34L - Kabelbaum verbessern
Ich bekomme sehr kleine Relais (Bosch) vom Freundlichen B-Dienst, mit passendem Stecker, Halter und wasserdichten Kabelverbindungen.
Für die finde ich sicher ein gutes Platzerl im Lampenschirm.
at Motorang:
was ist das Schutzblech, wo du die Kabelführung nicht machen würdest?
Würdest du den ganzen Kabelbaum anders verlegen?
Bin gespannt auf die tatsächlichen Platzverhältnisse hinter dem Lampenschirm bzw bei der Batterie. Ich habe auch die zwei originalen Gummimanschetten die am Ende des Kabelbaumes hinter dem Lampenschirm drauf sind. Gehören die eigentlich wo mitgeschraubt? die haben jeweils ein Loch auf einer Lasche.
Die Batterie steht bei der 34L übrigens der Länge nach im Rahmen und ist von der linken Seite aus zu bedienen.
Grüsse aus NÖ
Für die finde ich sicher ein gutes Platzerl im Lampenschirm.
at Motorang:
was ist das Schutzblech, wo du die Kabelführung nicht machen würdest?
Würdest du den ganzen Kabelbaum anders verlegen?
Bin gespannt auf die tatsächlichen Platzverhältnisse hinter dem Lampenschirm bzw bei der Batterie. Ich habe auch die zwei originalen Gummimanschetten die am Ende des Kabelbaumes hinter dem Lampenschirm drauf sind. Gehören die eigentlich wo mitgeschraubt? die haben jeweils ein Loch auf einer Lasche.
Die Batterie steht bei der 34L übrigens der Länge nach im Rahmen und ist von der linken Seite aus zu bedienen.
Grüsse aus NÖ
Re: 34L - Kabelbaum verbessern
Der vordere Kotflügel, Kotblech, Fender ...
Mei meiner 1VJ lief der Kabelbaum zwischen Gabelbrücke und Fender durch (der hat da eine Ausnehmung) und dann nach der Gabelbrücke nach oben. Wurde bei jedem Lenkeinschlag ziemlich geknickt. Eventuell ist das bei der 34L anders. Ich bin dann einfach VOR der Gabelbrücke nach oben mit den Kabeln.
Gryße!
Andreas, der motorang
Mei meiner 1VJ lief der Kabelbaum zwischen Gabelbrücke und Fender durch (der hat da eine Ausnehmung) und dann nach der Gabelbrücke nach oben. Wurde bei jedem Lenkeinschlag ziemlich geknickt. Eventuell ist das bei der 34L anders. Ich bin dann einfach VOR der Gabelbrücke nach oben mit den Kabeln.
Gryße!
Andreas, der motorang
___
Hübsch aussehen alleine reicht eben nicht - man muss auch Bier trinken können.
Hübsch aussehen alleine reicht eben nicht - man muss auch Bier trinken können.
- Steviebiker
- Beiträge: 21
- Registriert: Di 5. Okt 2021, 11:26
- Wohnort: Düsseldorf
Re: 34L - Kabelbaum verbessern
Hallo,
meine Frage zum Thema Kabelbaum verbessern: Ich baue gerade eine alte 34L wieder auf und war verdutzt, das die Sitzbank mit der auf der Luftfilterbox montierten CDI-Einheit kollidiert bzw. mit den zu langen Schrauben der Befestigung. Dann habe ich mich über einen Extra Kabelstrang zwischen Zündspule und CDI gewundert. Kurz: Anscheinend war der Originaleinbauort der CDI vorne im Rahmen vor der Zündspule und jemand hat diese dann auf die Airbox verlegt. Das ist ja keine schlechte Idee. Trotzdem interessiert mich, ob alle 34L die CDI vorne im Rahmen hatten und wie genau diese dort montiert ist. Im Rahmen drin oder aussen drauf, was für Schrauben etc. .
Geplant habe ich folgende Verbesserungen:
- Fernlicht und Abblendlicht Leistung über Relais (2 x Relais)
- CDI auf Airbox
- Warnblinkanlage (1xRelais, 4 x Sperrdioden=2 x zum Blinkerplus und 2 x zum Blinkerkontrolllicht)
- Ladebuchse für Navi/Handy
- Lithium-Batterie
- evtl. Anschlussmöglichkeit für Lambdasondenmeßgerät (Gerät habe ich schon an meiner XT 550) das wäre aber nur temporär bis die Werte richtig eingestellt sind.
Offen ist noch: wo hin mit den 3 Relais dafür. In den frei werdenden Platz unter der Batterie (weil LithiumBat. viel kleiner ist)?
Ist die Lage der CDI vorne im Rahmen wirklich schlechter? Hitzeentwicklung? Wenn die CDI vorne im Rahmen ist, könnten auf die Airbox die Relais etc. montiert werden. Oder Umgekehrt?
Wer hat Infos/meinung dazu?
Grüße Stefan
meine Frage zum Thema Kabelbaum verbessern: Ich baue gerade eine alte 34L wieder auf und war verdutzt, das die Sitzbank mit der auf der Luftfilterbox montierten CDI-Einheit kollidiert bzw. mit den zu langen Schrauben der Befestigung. Dann habe ich mich über einen Extra Kabelstrang zwischen Zündspule und CDI gewundert. Kurz: Anscheinend war der Originaleinbauort der CDI vorne im Rahmen vor der Zündspule und jemand hat diese dann auf die Airbox verlegt. Das ist ja keine schlechte Idee. Trotzdem interessiert mich, ob alle 34L die CDI vorne im Rahmen hatten und wie genau diese dort montiert ist. Im Rahmen drin oder aussen drauf, was für Schrauben etc. .
Geplant habe ich folgende Verbesserungen:
- Fernlicht und Abblendlicht Leistung über Relais (2 x Relais)
- CDI auf Airbox
- Warnblinkanlage (1xRelais, 4 x Sperrdioden=2 x zum Blinkerplus und 2 x zum Blinkerkontrolllicht)
- Ladebuchse für Navi/Handy
- Lithium-Batterie
- evtl. Anschlussmöglichkeit für Lambdasondenmeßgerät (Gerät habe ich schon an meiner XT 550) das wäre aber nur temporär bis die Werte richtig eingestellt sind.
Offen ist noch: wo hin mit den 3 Relais dafür. In den frei werdenden Platz unter der Batterie (weil LithiumBat. viel kleiner ist)?
Ist die Lage der CDI vorne im Rahmen wirklich schlechter? Hitzeentwicklung? Wenn die CDI vorne im Rahmen ist, könnten auf die Airbox die Relais etc. montiert werden. Oder Umgekehrt?
Wer hat Infos/meinung dazu?
Grüße Stefan