Betätigungshebel Kupplung

Getriebe, Lager, Ventiltrieb, Kolben, mechanische Geräusche, Kupplung
Benutzeravatar
motorang
Beiträge: 5380
meble kuchenne Ruda Śląska Rybnik Tychy
Registriert: Mi 31. Dez 2003, 05:13

Re: Betätigungshebel Kupplung

Beitrag von motorang »

Das Grobspiel der Kupplung wird am Hebel eingestellt. Durch den Winkel im Bezug zum Seil quasi.
Sicherheitshalber: der Druckpunkt der Kupplung sollte etwa da sein, wo der Hebel rechtwinkelig zum Kupplungsseil steht. Aber Du kannst den Hebel da drüberbewegen, ohne Druckpunkt?

So schaut der Hebel unten/innen aus, der Exzenter drückt auf das Ende der Kupplungsdruckstange:

Bild

Wenn da kein WIderstand ist, hat es die Druckstange erwischt oder die Verstellung beim Kupplungskorb. Da muss der Kupplungsdeckel runter. Das geht sogar ohne Öl abzulassen, wenn Du die XT nach links lehnst (45°), es ist nicht viel Öl im Motor und das läuft dann in den Lichtmaschinendeckel. Etwas Sauerei gibt es trotzdem ... Vor dem Abnehmen des Deckels den Ölfilter ausbauen: zuerst nur die untere Schraube lösen und etwas rausziehen, dann läuft das Öl intern aus dem Filtergehäuse. Dann die restlichen Ölfilterdeckelschrauben abnehmen und den Filter entnehmen.

Der Deckel ist über zwei Zentrierhülsen am Deckel verschraubt, da kann es etwas klemmen beim Abnehmen. An dieser Stelle leicht klopfen (Gummihammer ...) hilft, ein Helfer der den Deckel dabei gerade abzieht auch.

Explosionszeichnungen findest Du hier:
https://www.xt600.de/xt_werkstatt/_tech ... /index.htm

Dann die Kupplungsschrauben lösen, rundum, Stück für Stück, und den Deckel entnehmen.
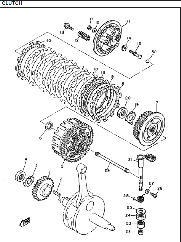
Kupplung Seite 4, Teile 15-17 sind die Grobeinstellung.
Kugel 30 kriegst Du mit einem Stabmagnet raus, die Druckstange 29 auch. Die sollte einteilig sein und nicht gebrochen/stark abgenützt. Bilder von Druckstangen hier: viewtopic.php?f=328&t=155267
3TB_clutch.png
Nach Entnehmen der Scheiben kommst Du zur Kupplungsmutter (Schlüsselweite 18, notfalls geht 19). Die sollte idealerweise nicht locker/lose sein ... zum Anziehen brauchst Du einen Gegenhalter, ich würd empfehlen einen zu kaufen (Kedo) weil die Improvisationsmethoden risikoreich sind und den Kupplungskorb beschädigen können.

Gryße!
Andreas, der motorang
___
Hübsch aussehen alleine reicht eben nicht - man muss auch Bier trinken können.

hajo2202
Beiträge: 61
Registriert: So 10. Jan 2010, 03:21

Re: Betätigungshebel Kupplung

Beitrag von hajo2202 »

Dankeschön klingt nach einem schmierigem Vormittag 🙈🤪

Benutzeravatar
Lindi
Beiträge: 724
Registriert: Do 7. Nov 2019, 19:56
Wohnort: Kasseler Umland

Re: Betätigungshebel Kupplung

Beitrag von Lindi »

Viel Erfolg! Schreib doch mal, wo Du daheim/dahoam/zuhause bist. Vielleicht gibt's jemanden in der Nähe, den Du mit einer Flasche Gerstensaft oder einer Tass Kaff und einem Hocker bewaffnet daneben setzen kannst, damit er die notwendigen Kommentare zu Deinen Bemühungen absondert. Dann geht es leichter von der Hand. :-)
_______________
Viele Gryße

Dirk

XT500Z Ténéré 1988 (3DT)
SR 500 1979 (2J4)
SR 500 Gespann 1987 m. Squire - SW (48T/ST1)

Antworten