Mehr Teile in der Gabel als erwartet
-
Tibor
- Beiträge: 202
- meble kuchenne Ruda Śląska Rybnik Tychy
- Registriert: Mi 5. Jan 2011, 18:08
Mehr Teile in der Gabel als erwartet
Moin,
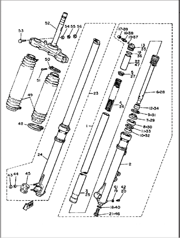
ich mache gerade die Gabel meiner 2NF und habe dadrin ein paar Teile gefunden, die ich so nicht auf den Explosionszeichnungen finden kann.
Die ganzen Teile neben der Kappe waren da neben der langen Feder drin. Laut Explosionszeichnung gehören die kurze Hülse (direkt rechts neben der Kappe), die kurze Feder und eine der Scheiben nicht in die Gabel.
Die lange Feder hat die Länge, die die Orignialfeder haben soll. Deswegen gehe ich jetzt mal davon aus, dass die original ist. Ich war auch nie unzufrieden mit dem Verhalten der Gabel. Diese habe ich nur geöffnet, weil auf der linken Seite der Simmerring undicht war.
Also einfach hinterher wieder alles so einbauen und gut ist? Oder könnten diese Teile auch irgendwas schlechtes bewirken?
Viele Grüße,
Tibor
ich mache gerade die Gabel meiner 2NF und habe dadrin ein paar Teile gefunden, die ich so nicht auf den Explosionszeichnungen finden kann.
Die ganzen Teile neben der Kappe waren da neben der langen Feder drin. Laut Explosionszeichnung gehören die kurze Hülse (direkt rechts neben der Kappe), die kurze Feder und eine der Scheiben nicht in die Gabel.
Die lange Feder hat die Länge, die die Orignialfeder haben soll. Deswegen gehe ich jetzt mal davon aus, dass die original ist. Ich war auch nie unzufrieden mit dem Verhalten der Gabel. Diese habe ich nur geöffnet, weil auf der linken Seite der Simmerring undicht war.
Also einfach hinterher wieder alles so einbauen und gut ist? Oder könnten diese Teile auch irgendwas schlechtes bewirken?
Viele Grüße,
Tibor
-
Henning34L
- Beiträge: 182
- Registriert: Do 11. Feb 2021, 12:45
Re: Mehr Teile in der Gabel als erwartet
Zusammenbauen!
Gruß Henning
Gruß Henning
Re: Mehr Teile in der Gabel als erwartet
Meine 2KF-Gabel hat die gleichen Innereien. Ich hatte mich da genauso gewundert wie du. Eine Vermutung wäre, das da zumindest zu Anfang noch Gabeln von der Tenere o.ä. verbaut wurden.


XT600 2KF '88
Re: Mehr Teile in der Gabel als erwartet
Oben also eine Version mit zwei Federn ohne die Hülse, hier eine Version mit einer Feder und der Hülse.
Warum wir jetzt zwei Federn und die Hülse haben, weiß ich leider nicht. Schwierig wirds vermutlich, wenn man Federn aus dem Zubehör
verbauen möchte. (Wirth, Wilbers) Ich wüßte jedenfalls nicht, welche da dann die Richtigen wären.
Grüße
Warum wir jetzt zwei Federn und die Hülse haben, weiß ich leider nicht. Schwierig wirds vermutlich, wenn man Federn aus dem Zubehör
verbauen möchte. (Wirth, Wilbers) Ich wüßte jedenfalls nicht, welche da dann die Richtigen wären.
Grüße
XT600 2KF '88
Re: Mehr Teile in der Gabel als erwartet
Die Federn werden über die Jahr(zehnt)e immer schlapper.
Vorbesitzer helfen daher gerne mit über die Jahre länger werdenden Hülsen nach, um die Vorspannung aufrecht zu erhalten.
Ich habe auch kürzlich eine 2KF Gabel überholt, diese hatte pro Holm 2 Federn, 2 Ringe mit Kragen und 1 Hülse.
Wenn die Gabel für dich so gut ist, dann lass die doch einfach wie sie ist.
Wenn man eine Feder aus dem Zubehör kauft, so sollte diese für die richtige Gabel sein. 2KF Gabel > 2KF Feder.
Die mir bekannten Zubehörfedern (Wirth, Wilbers, Promoto, YSS, WP) sind per Design am Stück und ohne Hülse.
Viele Grüße
Nico
Vorbesitzer helfen daher gerne mit über die Jahre länger werdenden Hülsen nach, um die Vorspannung aufrecht zu erhalten.
Ich habe auch kürzlich eine 2KF Gabel überholt, diese hatte pro Holm 2 Federn, 2 Ringe mit Kragen und 1 Hülse.
Wenn die Gabel für dich so gut ist, dann lass die doch einfach wie sie ist.
Wenn man eine Feder aus dem Zubehör kauft, so sollte diese für die richtige Gabel sein. 2KF Gabel > 2KF Feder.
Die mir bekannten Zubehörfedern (Wirth, Wilbers, Promoto, YSS, WP) sind per Design am Stück und ohne Hülse.
Viele Grüße
Nico
_____________________________________
the wrencher formerly known as nicoh
Yamaha XT 600 Z Ténéré 34L
the wrencher formerly known as nicoh
Yamaha XT 600 Z Ténéré 34L
Re: Mehr Teile in der Gabel als erwartet
Hallo Nico,
also sind unsere Gabeln (2 Federn, 1 Hülse) standard bei der 2KF, obwohl die Yamaha Teilelisten was anderes aussagen?
Grüße
also sind unsere Gabeln (2 Federn, 1 Hülse) standard bei der 2KF, obwohl die Yamaha Teilelisten was anderes aussagen?
Grüße
XT600 2KF '88
Re: Mehr Teile in der Gabel als erwartet
Teilelisten sind immer sehr spezifisch, das kann sich über die Baujahre oder Lieferländer gerne mal ändern.
Kann problematisch sein beispielsweise bei Tenere 3AJ wo ich nur eine Teileliste der Schweizer Version aus 1988 kenne, sich aber über die Baujahre die Primärübersetzung und der Ölkreislauf geändert haben, und die Schweizer zudem eine andere Vergaserabstimmung haben ...
Gryße!
Andreas, der motorang
Kann problematisch sein beispielsweise bei Tenere 3AJ wo ich nur eine Teileliste der Schweizer Version aus 1988 kenne, sich aber über die Baujahre die Primärübersetzung und der Ölkreislauf geändert haben, und die Schweizer zudem eine andere Vergaserabstimmung haben ...
Gryße!
Andreas, der motorang
___
Hübsch aussehen alleine reicht eben nicht - man muss auch Bier trinken können.
Hübsch aussehen alleine reicht eben nicht - man muss auch Bier trinken können.
Re: Mehr Teile in der Gabel als erwartet
Das wird wohl tatsächlich das Problem sein.
Grüße
Grüße
XT600 2KF '88
-
lowrider82
- Beiträge: 1938
- Registriert: Di 16. Okt 2007, 11:17
Re: Mehr Teile in der Gabel als erwartet
Nachdem die 2NF mit Feder und Hülse gelistet ist, wird es die Federn einzeln nicht geben und somit nur als Kit verkauft werden/worden sein. Darum auch nicht einzeln gezeichnet/gelistet. War ja früher die Lösung für progressive Federn. Wilbers und Co sollten die beiden Originalfedern durch eine ersetzen. Die Länge ist dann natürlich den beiden Originalen entsprechend. Falls nicht, steht es aber meist so im Artikeltext.
- christian78
- Beiträge: 5502
- Registriert: Do 14. Okt 2010, 17:15
Re: Mehr Teile in der Gabel als erwartet
Habe auch zwei Federn drin.
Ich wohn zwar nicht am Arsch der Welt, aber man kann ihn von hier aus hervorragend sehen!