E-Starter nachrüsten

Hier stehen Anfragen von uns um die geplante FAQ (oft gestelle Fragen) mit euch abzugleichen und euer Wissen mit einfliessen zu lassen
lowrider82
Beiträge: 1906
meble kuchenne Ruda Śląska Rybnik Tychy
Registriert: Di 16. Okt 2007, 11:17

Re: E-Starter nachrüsten

Beitrag von lowrider82 »

Mit rumbasteln meinte ich jetzt nicht pfuschen.
Spendenkonto für den Forenbetrieb:
viewtopic.php?f=306&t=157066

Hiha
Beiträge: 3419
Registriert: Di 1. Jul 2003, 09:15

Re: E-Starter nachrüsten

Beitrag von Hiha »

Chris87 hat geschrieben:
Mi 16. Mär 2022, 21:28
Es heißt ja nicht das es ein gebastel ist , sofern der Umbau ordnungsgemäß umgesetzt wird ?
Vielleicht "rumdilettieren"? Der Begriff "Dilettant" wird heut als abwertendes Schimpfwort benutzt, war vor hundert Jahren aber durchaus positiv besetzt.
Ich zitiere aus dem entsprechenden Wikipediaartikel:
Ein Dilettant ... ist ein Liebhaber einer Kunst oder Wissenschaft, der sich ohne schulmäßige Ausbildung und nicht berufsmäßig damit beschäftigt.[2] Als Amateur oder Laie übt er eine Sache um ihrer selbst willen aus, also aus Interesse, Vergnügen oder Leidenschaft und unterscheidet sich somit von einem Fachmann. Dabei kann er vollendete Kenntnisse und Fertigkeiten erlangt haben; solange er die Tätigkeit (als „Liebhaberei“) nicht beruflich bzw. für seinen Lebensunterhalt ausübt oder eine anerkannte einschlägige Prüfung bestanden hat, gilt er als Dilettant.

Schaut man sich die Liste berühmter Dilettanten an, dann stehen u.A. Nicolaus Otto, Felix Wankel, Stirling, Goethe, Einstein...

Gruß
Hans

Benutzeravatar
XTsucher
Beiträge: 1517
Registriert: Do 9. Jan 2014, 16:29
Wohnort: Kreis Karlsruhe

Re: E-Starter nachrüsten

Beitrag von XTsucher »

Ich habe den Starter bei meiner 1VJ ausgebaut… und auf Handdeko umgebaut… das E-Ding machte nur Scherereien…
Grüße, Frederik - der 1VJ fährt.
Original ist schön und gut - ich fahre lieber
53.764 km
Projekt 2026: MEHR FAHREN! FAHREN! FAHREN!

Benutzeravatar
derMoe
Beiträge: 109
Registriert: Di 3. Sep 2019, 13:14
Wohnort: Steiermark (Österreicht)

Re: E-Starter nachrüsten

Beitrag von derMoe »

XTsucher hat geschrieben:
Do 17. Mär 2022, 08:52
Ich habe den Starter bei meiner 1VJ ausgebaut… und auf Handdeko umgebaut… das E-Ding machte nur Scherereien…
Hätte auch geraten auf Hand-Deko umbauen wenn der Auto-Deko nicht richtig funktioniert... Wird sicher die günstigere und einfachere Variante sein.. Sollte es mit dem trotzdem nicht funzen.. kann noch immer über den E-Starter überlegt werden...

lg
Ihr seid bloß neidisch, weil nur ich die leisen Stimmen hören kann. :lol:

Benutzeravatar
XTsucher
Beiträge: 1517
Registriert: Do 9. Jan 2014, 16:29
Wohnort: Kreis Karlsruhe

Re: E-Starter nachrüsten

Beitrag von XTsucher »

Ahh, was ich vergessen habe: Ordentliche Motorradstiefel tragen - immer! Mindern Schmerzen, nicht nur beim Kicken!
Grüße, Frederik - der 1VJ fährt.
Original ist schön und gut - ich fahre lieber
53.764 km
Projekt 2026: MEHR FAHREN! FAHREN! FAHREN!

Benutzeravatar
derMoe
Beiträge: 109
Registriert: Di 3. Sep 2019, 13:14
Wohnort: Steiermark (Österreicht)

Re: E-Starter nachrüsten

Beitrag von derMoe »

XTsucher hat geschrieben:
Do 17. Mär 2022, 09:21
Ahh, was ich vergessen habe: Ordentliche Motorradstiefel tragen - immer! Mindern Schmerzen, nicht nur beim Kicken!
Ich hab E-Starter.. aber hab mir an den Fußrasten schon zwei Paar Turnschuhe ruiniert... (Die Sohle wurde richtig "durchgedrückt" und ist zerbröckelt.. (hab auch die Fußrasten von Bosley :) )

Seitdem nur noch mit Stiefeln.. :)

lg
Ihr seid bloß neidisch, weil nur ich die leisen Stimmen hören kann. :lol:

Benutzeravatar
boba catt
Beiträge: 102
Registriert: Mi 21. Jul 2021, 19:53

Re: E-Starter nachrüsten

Beitrag von boba catt »

Hey Leute,
ich habe meinen Umbau jetzt fast fertig. War eigentlich auch recht einfach umzusetzten dank der Anleitung hier.

Ich hänge allerdings gerade an der Verkabelung. Da bin ich leider nicht so bewandert drin :D

Im Anhang sind 3 Fotos. Und zwar weiß ich nicht so genau, wo ich mit den Kabeln die vom Stecker des Relais kommen hin soll!?
Laut Anleitung soll eines der 2 Kabel an den Leerlaufschalter. Bin mir aber nicht so sicher, welcher das ist!?
Aber dann würde ja immer noch das 2. Kabel des Steckers übrig bleiben.

Und als letztes frage ich mich, ob das + Kabel vom Startknopf nicht eher auf das braune Kabel von der Zündung gehen sollte!?

Sorry für meine Unwissenheit :D
Dateianhänge
8ab914e1-cf1a-4703-bf5f-77e18e9f89db-min.jpg
IMG_20220511_150204~2-min.jpg
IMG_20220511_150042~2-min.jpg

Benutzeravatar
motorang
Beiträge: 5380
Registriert: Mi 31. Dez 2003, 05:13

Re: E-Starter nachrüsten

Beitrag von motorang »

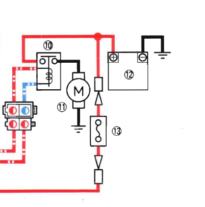
Ich häng nochmal das ursprüngliche Bild hier rein ...

Bild

Es geht nur noch um den Anschluss des Starterrelais, ja?

Im Prinzip funktioniert das ja so:
XT600Z_Startrelais.png
In Summe hat das Starterelais 4 Anschlüsse - 2 für Leistung (dicke Kabel, geschraubt) und zwei für Steuerung (dünne Kabel, per Stecker).

Du hast einerseits den Arbeitskontakt, die den PLUS-Anschluss von der Batterie (12) zum Starter (11) durchschaltet. Die dicken Kabel, die per Ringösen am Starterrelais (10) angeschlossen sind.

Und andererseits die Steuerspule, die diesen Arbeitskontakt schaltet. Im Schema sind diese Anschlusskabel strichliert, in Realität sind das die dünnen Kabel die per Stecker am Starterrelais angeschlossen sind.

Am Steuerstecker müssen einmal Plus und einmal Minus angeschlossen werden, und in der Plusleitung sitzt der Startknopf. Drückst Du den Startknopf, wird der Stromkreis geschlossen und die Steuerspule schließt den Arbeitskontakt, und der E-Starter bekommt Strom direkt über die dicke Leitung von der Batterie und dreht.

Diese dünne Plus-Steuerleitung (rot strichliert) soll vom Startknopf kommen, dessen anderen Anschluss kannst Du irgendwo an braun (Plus, vom Zündschloss geschaltet) anschließen. Entweder direkt am Zündschlosstecker, oder beispielsweise an der Leitung zur Hupe oder zum Bremslichtschalter vorne. Das Relais weiß ja nicht woher der Strom kommt.

Kommt jetzt drauf an welchen Startknopf Du verbaut hast.

Die Minus-Steuerleitung (blau gestrichelt) muss irgendwo auf Masse.
Legst Du sie direkt auf Masse, kannst Du jederzeit starten wenn die Zündung an ist - auch bei eingelegtem Gang.
Legst Du sie hingegen auf den Leerlaufschalter, dann zieht das Startrelais nur an, wenn der Leerlauf eingelegt ist (weil nur dann der Leerlaufschalter auf Masse durchschaltet). Am besten wäre dafür ein Anschluss direkt am Leerlaufschalter unten (auf Deinem Foto zu sehen), dazu ein langes Kabel nach uten legen und mit einer Ringöse dort anschrauben. Da geht keine große Leistung drüber, ein normales 1 mm2 Kabel reicht hier.

Gryße!
Andreas, der motorang
___
Hübsch aussehen alleine reicht eben nicht - man muss auch Bier trinken können.

Benutzeravatar
boba catt
Beiträge: 102
Registriert: Mi 21. Jul 2021, 19:53

Re: E-Starter nachrüsten

Beitrag von boba catt »

Super, jetzt hab ich's verstanden :D

Alles ist jetzt eingebaut und der erste Start wurde auch schon versucht, aber dafür ist die noch verbaute 4,5ah Batterie zu schwach.

Die neue kommt aber Samstag, dann wird der nächste Versuch unternommen :D

Danke für die ausführliche Hilfe!

Benutzeravatar
boba catt
Beiträge: 102
Registriert: Mi 21. Jul 2021, 19:53

Re: E-Starter nachrüsten

Beitrag von boba catt »

Ok, ich hätte da doch noch ne frage.

Ich hab alles angeschlossen und wenn ich den Taster betätige, hört sich das nach ner Fehlzündung aus dem Relais an.
Also hab ich nochmal alles ausgebaut um nachzusehen.
Im Anhang ist ein Bild wo ich das Relais und den Anlasser zu Testzwecken auf der Werkbank aufgebaut habe.
Ich hoffe man kann erkennen wie ich es angeschlossen hab!?

Den Stecker vom Relais hab ich halt durchgeschaltet ohne Schalter. Aber bis auf das brummen bewegt sich die Welle vom Anlasser nicht.
Dateianhänge
IMG_20220512_185426-min.jpg

Antworten