Nebelschlußleuchte defekt

Hier gehört rein was nicht mit Motorradfahren zu tun hat(Schreibrechte nur für reg. User)
Benutzeravatar
stritzi
Beiträge: 2128
meble kuchenne Ruda Śląska Rybnik Tychy
Registriert: Sa 28. Dez 2013, 19:53

Nebelschlußleuchte defekt

Beitrag von stritzi »

Hallali!
Hab ein kleines Problem mit der nicht funktionierenden Nebelschlußleuchte bei einem Nissan Micra K10, Bj. 91. "Schwerer Mangel" beim Pickerl.
Laut Stromlaufplan (von dem es aber verschiedene Möglichkeiten gibt, je nach Farbe der Abdeckung des Sicherungskastens, die nicht mehr eruierbar ist) wird die Taste für die Nebelschlußleuchte erst aktiviert, wenn der Lichtschalter (seitlich am Lenkstockschalter Blinker) auf "Abblendlicht" gedreht ist.
Trotzdem passiert nichts, Lampe, Schalter, Kabel u.dgl sind ok.
Hat jemand eine Empfehlung für die Fehlersuche für Japaner aus dieser Zeit?
Alternativ würde ich mit Relais und Schalter direkt die Nebelschlußleuchte ansteuern.
Wo greif ich das Plus ab, damit die Funktion (aktiviebar bei "Licht-Ein")erhalten bleibt, am Kabel vom Scheinwerfer?
Teile z.B. wie diese:
20250926_211224.jpg
20250926_211224.jpg (35.81 KiB) 193 mal betrachtet
20250926_213156.jpg
20250926_213156.jpg (47.79 KiB) 191 mal betrachtet
20250926_213141.jpg
20250926_213141.jpg (72.01 KiB) 191 mal betrachtet

Benutzeravatar
stritzi
Beiträge: 2128
Registriert: Sa 28. Dez 2013, 19:53

Re: Nebelschlußleuchte defekt

Beitrag von stritzi »

Ergänzend noch ein nicht unwesentliches Detail des Stromlaufplans:
Es gibt wohl eine Liste, die Auskunft darüber gibt, welcher Buchstabe zu welcher Kabelfarbe gehört, allerdings ist in der Zeichnung selber dann keine einzige Leitung mit einem Buchstaben/Farbe bezeichnet.
Das macht die Suche nochmal schwerer.
Nehme ich folgende Skizze unten als Ausgangspunkt, dann dürfte vom Lichtschalter in Position "2nd" der Schalter der Nebelschlußleuchte mit Spannung versorgt werden, was aktuell meßbar nicht der Fall ist.
Das für mich naheliegendste ist ein Kabelbruch der einen Leitung vom Lichtschalter zum Schalter der Nebelschlußleuchte.
Der Kabelbaum ist aber so extrem knapp verlegt und die Litzen verdrillt, daß da ohne Farben nix zu machen ist.
Auch wegbauen von Verkleidungsteilen artet, trotz der spartanischen Innenausstattung, in eine Orgie aus.
Vielleicht weiß ja wer, wie Japanern mit solchen Eigenheiten mit wenig Aufwand beizukommen ist.
20250927_001431.jpg
20250927_001431.jpg (142.27 KiB) 185 mal betrachtet

lowrider82
Beiträge: 1834
Registriert: Di 16. Okt 2007, 11:17

Re: Nebelschlußleuchte defekt

Beitrag von lowrider82 »

Du mußt am Nebelschlusslichtschalter und dem Lichtschalter die idente Kabelfarbe haben. Wenn du einen Kabelbruch vermutest, dann dies mal überbrücken, oder mit einer Fremdspannungsquelle vom Nebelschlusslichtschalter aus testen, obs dann wirklich testet.
Spendenkonto für den Forenbetrieb:
viewtopic.php?f=306&t=157066

Benutzeravatar
christian78
Beiträge: 5385
Registriert: Do 14. Okt 2010, 17:15

Re: Nebelschlußleuchte defekt

Beitrag von christian78 »

Ein Relais ist doch super, daran kann man sich orientieren.
Klickt das Relais beim Schalten?
Ziehe mal das Relais raus und überbrücke mal 87 und 30. Leuchtets?

Und dann miss mal 85 und 86 bei Licht an.
Ich wohn zwar nicht am Arsch der Welt, aber man kann ihn von hier aus hervorragend sehen!

Benutzeravatar
stritzi
Beiträge: 2128
Registriert: Sa 28. Dez 2013, 19:53

Re: Nebelschlußleuchte defekt

Beitrag von stritzi »

Ok, auf der Suche nach dem richtigen Kabel hab ich mal das Radio ausgebaut um mehr Platz zu haben. Dabei kam folgendes "G'wirx" zum Vorschein:
Irgendwer hat mal auf Iso-Stecker umgebaut und dabei abgezwickt, was ging, der Rest ist Blockklemmen-Chaos.
Zum Glück lag der alte, original Nissan Stecker noch dabei, mit Kabelstücken dran, was die Zuordnung erleichtert.
Jetzt hab ich mit Radio usw. Null Erfahrungen, kann mir da mal wer aushelfen?
Wie es bis jetzt aussieht, ist sonst kein Kabel in dem Bereich ab, vermute ich falsch, daß ein "Rückbau" auf den alten Stecker mein Problem mit der Nebelschlußleuchte beheben könnte?
Wenn das zutrifft, worauf achten?
Ist bei eingebautem Radio da ein Kreis geschlossen?
IMG-20250929-WA0004.jpg
IMG-20250929-WA0004.jpg (268.28 KiB) 130 mal betrachtet
IMG-20250929-WA0003.jpg
IMG-20250929-WA0003.jpg (214.4 KiB) 130 mal betrachtet
IMG-20250929-WA0002.jpg
IMG-20250929-WA0002.jpg (105.53 KiB) 130 mal betrachtet
IMG-20250929-WA0001.jpg
IMG-20250929-WA0001.jpg (97.13 KiB) 130 mal betrachtet

lowrider82
Beiträge: 1834
Registriert: Di 16. Okt 2007, 11:17

Re: Nebelschlußleuchte defekt

Beitrag von lowrider82 »

Bei den ISO-Steckern hast normalerweise nur Dauer- und geschaltenes Plus, Masse sowie Remote auf dem einen Stecker und vier Lautsprecher (acht Kabel) am zweiten Stecker.
www.tobias-albert.de/ta_autohifi/iso_co ... ector.html
Und ich bezweifle, daß das damit zu tun hat. Die Kabel sind ja ab Werk dort.
Spendenkonto für den Forenbetrieb:
viewtopic.php?f=306&t=157066

Benutzeravatar
stritzi
Beiträge: 2128
Registriert: Sa 28. Dez 2013, 19:53

Re: Nebelschlußleuchte defekt

Beitrag von stritzi »

Ich hab leider keine Unterlagen zu dem Original Radio bzw der Belegung des Steckers und wie da noch was im Kabelbaum u.U. zusammen geklemmt gehört.
Dachte nur, es könnte bei dieser Blockklemmen-Aktion was daneben gegangen sein, weil am Schalter der Nebelschlußleuchte kein Plus anliegt.
Laut Stromlaufplan sollte das vom Scheinwerfer links vorne kommen, und da ist das Abblendlicht und das Fernlicht ja intakt.
Es kommt ja eigentlich nur eine einzige Leitung in Frage, die gebrochen sein kann, es sei denn, im original Stecker war was mit einem Bügel gebrückt, so daß es auch ohne Radio funktioniert hat.
Hab mit Spiegel usw reingeschaut, so gut es ging und bisher nichts gefunden, was auf einen Kabelbruch hindeutet.

Benutzeravatar
stritzi
Beiträge: 2128
Registriert: Sa 28. Dez 2013, 19:53

Re: Nebelschlußleuchte defekt

Beitrag von stritzi »

Ok, der Kabelbruch ist ohne gröbere Arbeiten nicht auffindbar.
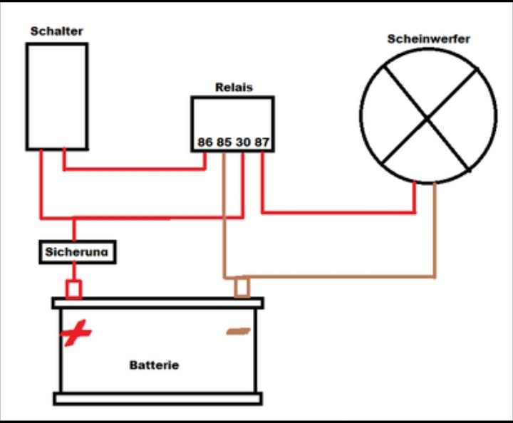
Werde einfach direkt von der Batterie mit dem Relais und Schalter auf die Nebelschlußleuchte gehen.
Wie stark soll denn der Kreis abgesichert sein?
Im Relais ist eine 30A Sicherung dabei, für die 21 Watt der Leuchte zu viel.
Was ist denn üblich bei Kfz für diese Leistung inkl. insgesamt ca. 4 Meter Leitung mit 1 Quadratmillimeter Querschnitt samt Schalter und Relais?

lowrider82
Beiträge: 1834
Registriert: Di 16. Okt 2007, 11:17

Re: Nebelschlußleuchte defekt

Beitrag von lowrider82 »

P=UxI

Damit kannst dir den Strom ausrechnen, welcher fließt. Abgesichert wird auf die schwächste zu schützende Komponente. Normalerweise im KFZ-Bereich das Kabel.
Spendenkonto für den Forenbetrieb:
viewtopic.php?f=306&t=157066

Benutzeravatar
stritzi
Beiträge: 2128
Registriert: Sa 28. Dez 2013, 19:53

Re: Nebelschlußleuchte defekt

Beitrag von stritzi »

Die kleinste Stecksicherung, die ich finde, hat 5 A.
Gibt's denn noch weniger?
Macht das Relais beim Schalten/Prellen u.U. was aus?

Antworten