Zwischen die 3 weissen Leitungen (von der LiMa kommend) werden jeweils Glühbirnen gesteckt. Das ganze geht mit starrer an die Birnen angelöteter Leitung ganz gut, dann kann man die direkt an Stelle des Reglers einstecken. Die Birnen sollten am besten 24V und viel Watt haben, zum testen tuns aber auch 12V 55W Birnen. Brennen halt schneller durch.
Nun wird der Motor gestartet, und alle 3 Birnen sollten annähernd gleichhell leuchten. Dann kann man eigentlich davon ausgehen, daß die LiMa in Ordnung ist.
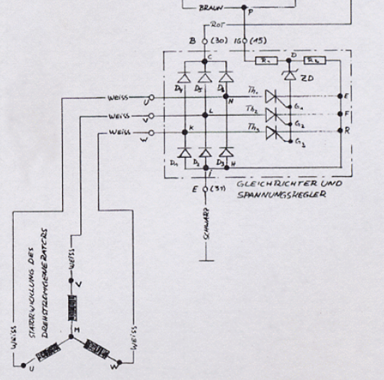
Bild 1: So wird das angeschlossen:
Bild 1a: Detailbild:

Bild 2: Immer schön Lächeln dabei:
Bild 3: Alle 3 Birnen so hell, daß die Cam sie nicht auseinander halten kann:

Fazit: LiMa in Ordnung !
Soweit in Ordnung, daß eine der 12V-Birnen dann gleich mit nem PUFF sich verabschiedet hatte
Von daher sollte man, wenn vorhanden, Doppelglühfadenbirnen nehmen. ALso kombinierte Fernlicht / Abblendlichtbirnen. Diese werden dann in Reihe geschaltet, also die beiden Fäden in Reihe, der Rest dann wie hier in der Abbildung zu sehen:

Wichtig ist auch, ERST die Lampen anschliessen, danach Motor starten !
Wenn dann alle Lampen gleich hell leuchten, ist die LiMa zumindest Bordspannungsaufbauend OK.
Eine weitere Methode Lampen zu sparen, man nehme für den Test Lampen, bei denen der zweite Faden (Abblendlicht / Fernlicht) schon durch ist. Im Mopped / Auto kann man die eh nicht mehr verwenden.