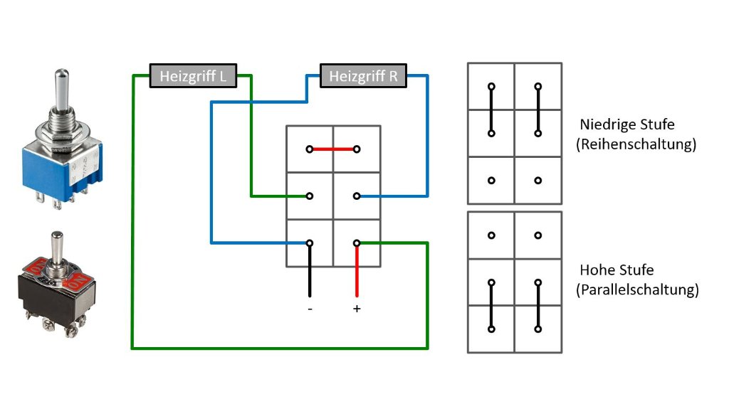
Da ich noch Heizgriffe ohne Schalter hatte und sie nicht nur auf höchster Stufe betreiben wollte, hab ich mir überlegt, wie ich sie 2 stufig anschließe. Genutzt wird eine einfache Schaltung mit einem 6 poligen Schalter, wie sie auch bei allen günstigen 2 stufigen Heizgriffsets verwendet wird. Es wird einfach das Prinzip der Parallel- und Reihenschaltung ausgenutzt.
Klar kann man sich fertige Sets kaufen, aber so kann auch ein defekter Schalter mal ersetzt werden und alle die sich sowas bauen wollen, müssen nicht erst alle möglichen Belegungen auf dem Papier ausprobieren
Gruß
Sven
Farben der beiden Bilder stimmen nicht überein
WR 450 F(06er), XT 600E 3UW offen, XTZ 660 3YF, XTZ 850 mit 3VD, XT 750 Scrambler, XV 750 SE Chopper Umbau, XS 1100 Gespann, Grizzly 660
Toll gemacht, Sven!
Eine Frage eines bekennenden Elektro-Legasthenikers: Ist eine Lötstelle nicht bruchgefährdeter (durch Vibrationen o. ä.) als eine Steckerverbindung? Und gleich noch eine: Wor bringst Du denn das Kast'l unter?
Toll gemacht, Sven!
Eine Frage eines bekennenden Elektro-Legasthenikers: Ist eine Lötstelle nicht bruchgefährdeter (durch Vibrationen o. ä.) als eine Steckerverbindung? Und gleich noch eine: Wor bringst Du denn das Kast'l unter?
Maybach
Ja, ist sie.
Die Schalter waren halt da
An meiner XTZ 850 halten Lötstellen auch schon seit einigen tausend km. Die Lötstellen sind auch nur an nicht unbedingt nötigen Teilen, wie Warnblinker und Steckdose
Das ist kein Kast'l, das ist ne Blende, die ich oberhalb vom Tacho eingebaut hab(dazu die Frontmaske etwas nach vorne gesetzt)
WR 450 F(06er), XT 600E 3UW offen, XTZ 660 3YF, XTZ 850 mit 3VD, XT 750 Scrambler, XV 750 SE Chopper Umbau, XS 1100 Gespann, Grizzly 660
Danke für die Aufklärung, Sven! Wirklich gut gemacht ...
Wie schauts denn aus mit den Plänen für Georgien?
Maybach
Danke
Die Pläne gibts noch, es wird wohl relativ kurzfristig entschieden werden müssen. Die Hoffnung stirbt zuletzt. Mit Alternativen siehts halt auch schlecht aus
Die Vorbereitungen gehen auf jeden Fall weiter ihren Gang. Heut hab ich z.B. den Motortausch (inklusive Trennen der Gehausehälften) bei einer der XTs abgeschlossen.
WR 450 F(06er), XT 600E 3UW offen, XTZ 660 3YF, XTZ 850 mit 3VD, XT 750 Scrambler, XV 750 SE Chopper Umbau, XS 1100 Gespann, Grizzly 660