stromlaufplan xt550

Zündaussetzer, Seitenständerschalter, Lichtmaschine usw.
Benutzeravatar
RFVC
Beiträge: 18
meble kuchenne Ruda Śląska Rybnik Tychy
Registriert: Di 18. Mär 2008, 18:08
Wohnort: Mojacar
Kontaktdaten:

Re: stromlaufplan xt550

Beitrag von RFVC »

lowrider82 hat geschrieben:
Mo 30. Okt 2023, 11:01
Wie Straßenschrauber schon schrieb. Die Dinger sind nicht dicht und dadurch kommt Feuchtigkeit rein. Man muß löten können, dann hält es auch in KFZ. Muß man aber nicht. Es gibt schon sehr gute und dichte Steckverbinder.
ich dachte jetzt an keine dichte verbindung, da ich die abzweigung unter der abdeckung (zwischen lenker und tacho) machen wollte.

Straßenschrauber
Beiträge: 1124
Registriert: So 29. Mär 2020, 21:38

Re: stromlaufplan xt550

Beitrag von Straßenschrauber »

RFVC hat geschrieben:
Mi 1. Nov 2023, 19:50
lowrider82 hat geschrieben:
Mo 30. Okt 2023, 11:01
Wie Straßenschrauber schon schrieb. Die Dinger sind nicht dicht und dadurch kommt Feuchtigkeit rein. Man muß löten können, dann hält es auch in KFZ. Muß man aber nicht. Es gibt schon sehr gute und dichte Steckverbinder.
ich dachte jetzt an keine dichte verbindung, da ich die abzweigung unter der abdeckung (zwischen lenker und tacho) machen wollte.
Glaubst Du, daß dort keine Feuchtigkeit reinkommt? :shock:
Zur "Abzweigung" (sowas wie einen Stromdieb willst Du ja scheint's nehmen), hat Tibor vorhin doch schon alles gesagt, was man wissen muß.
Zuletzt geändert von Straßenschrauber am Mi 1. Nov 2023, 20:37, insgesamt 1-mal geändert.
~-o|-

lowrider82
Beiträge: 1938
Registriert: Di 16. Okt 2007, 11:17

Re: stromlaufplan xt550

Beitrag von lowrider82 »

RFVC hat geschrieben:
Mi 1. Nov 2023, 19:50
lowrider82 hat geschrieben:
Mo 30. Okt 2023, 11:01
Wie Straßenschrauber schon schrieb. Die Dinger sind nicht dicht und dadurch kommt Feuchtigkeit rein. Man muß löten können, dann hält es auch in KFZ. Muß man aber nicht. Es gibt schon sehr gute und dichte Steckverbinder.
ich dachte jetzt an keine dichte verbindung, da ich die abzweigung unter der abdeckung (zwischen lenker und tacho) machen wollte.
Warum sind in einem Auto alle Stecker abgedichtet?
Spendenkonto für den Forenbetrieb:
viewtopic.php?f=306&t=157066

Benutzeravatar
RFVC
Beiträge: 18
Registriert: Di 18. Mär 2008, 18:08
Wohnort: Mojacar
Kontaktdaten:

Re: stromlaufplan xt550

Beitrag von RFVC »

Straßenschrauber hat geschrieben:
Mi 1. Nov 2023, 20:21
RFVC hat geschrieben:
Mi 1. Nov 2023, 19:50
lowrider82 hat geschrieben:
Mo 30. Okt 2023, 11:01
Wie Straßenschrauber schon schrieb. Die Dinger sind nicht dicht und dadurch kommt Feuchtigkeit rein. Man muß löten können, dann hält es auch in KFZ. Muß man aber nicht. Es gibt schon sehr gute und dichte Steckverbinder.
ich dachte jetzt an keine dichte verbindung, da ich die abzweigung unter der abdeckung (zwischen lenker und tacho) machen wollte.
Glaubst Du, daß dort keine Feuchtigkeit reinkommt? :shock:
Zur "Abzweigung" (sowas wie einen Stromdieb willst Du ja scheint's nehmen), hat Tibor vorhin doch schon alles gesagt, was man wissen muß.
neee, stromdieb will ich nicht, hab eben zum 1.mal gehort von denen :lol:
ich wollt ja bloss wissen WO anzapfen, nicht WIE - an meiner XL halten solche 'eingriffe' schon 20jahre; fahre allerdings nicht im regen :)

Benutzeravatar
RFVC
Beiträge: 18
Registriert: Di 18. Mär 2008, 18:08
Wohnort: Mojacar
Kontaktdaten:

Re: stromlaufplan xt550

Beitrag von RFVC »

lowrider82 hat geschrieben:
So 29. Okt 2023, 20:59
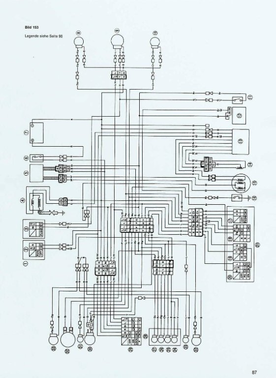
Schaltplan:
http://www.runke.de/biking/xt/manual/s8 ... xt_550.jpg
http://www.runke.de/biking/xt/manual/s9 ... xt_550.jpg

das ist mir noch unklar.....
Nr 14: suchspule - was ist das?
Nr 29: hauptschalter - der zuendschalter?

angefuegtes bild: die 4 stecker in der mitte - sind das die unter der abdeckung?
Dateianhänge
schaltplan_xt550 abdeckung.jpg

lowrider82
Beiträge: 1938
Registriert: Di 16. Okt 2007, 11:17

Re: stromlaufplan xt550

Beitrag von lowrider82 »

Nr 14: suchspule - was ist das? Zündspule
Nr 29: hauptschalter - der zuendschalter? Genau. Das Zündschloss

angefuegtes bild: die 4 stecker in der mitte - sind das die unter der abdeckung? Maybe. Abdeckung runter und die Kabelfarben an den Steckverbindern mit dem Schaltplan vergleichen.
Spendenkonto für den Forenbetrieb:
viewtopic.php?f=306&t=157066

Benutzeravatar
motorang
Beiträge: 5380
Registriert: Mi 31. Dez 2003, 05:13

Re: stromlaufplan xt550

Beitrag von motorang »

Den Stromlaufplan brauchst Du nicht.
Geschaltetes Plus geht an unseren Moppeds einfach zugänglich zu folgenden Stellen:
Bremslichtschalter vorne
Bremslichtschalter hinten
Hupe (bzw. Huprelais Steuerleitung falls sinnvollerweise auf Relais umgebaut)
Blinkrelais Steuerleitung

Üblicherweise ist das geschaltete Plus die braune Kabelfarbe, das Dauerplus rot.

Gryße!
Andreas, der motorang
___
Hübsch aussehen alleine reicht eben nicht - man muss auch Bier trinken können.

Benutzeravatar
RFVC
Beiträge: 18
Registriert: Di 18. Mär 2008, 18:08
Wohnort: Mojacar
Kontaktdaten:

Re: stromlaufplan xt550

Beitrag von RFVC »

ok, hat geklappt. GPS-kabel (von unten links im foto) das plus am bremslicht angeschlossen, minus 'unter den lenker' geklemmt. dabei sah ich, dass plastiksteckerabdeckung angeschmort war, 1 kontakt war sehr oxidiert.
danke!

beim studieren des schaltplans sehe ich, dass die stromversorgung, braunes kabel, gleich nach dem gleichrichter, die verbraucher versorgt. strom also nicht uber hauptsicherung fliesst - seh ich das richtig?
Dateianhänge
XT ign.jpeg

Benutzeravatar
motorang
Beiträge: 5380
Registriert: Mi 31. Dez 2003, 05:13

Re: stromlaufplan xt550

Beitrag von motorang »

Das ist andersrum,
der Regler kriegt über das braune Kabel seine Referenzspannung. Das ist ein ReglerEINGANG, kein Ausgang.
Und die braune Leitung wird übers Zündschloss freigeschaltet, und war zuvor die rote (abgesicherte) Leitung.

Im Kurzschlussfall fliegt die Sicherung, rot wird stromlos, und damit auch braun.

Gryße!
Andreas, der motorang
___
Hübsch aussehen alleine reicht eben nicht - man muss auch Bier trinken können.

Benutzeravatar
RFVC
Beiträge: 18
Registriert: Di 18. Mär 2008, 18:08
Wohnort: Mojacar
Kontaktdaten:

Re: stromlaufplan xt550

Beitrag von RFVC »

hmmmm, jetzt bin ich ueberfordert; Andreas, kannste das wohl noch einmal, fuer einen Laien verstaendlich, in worte fassen?
schaltplan_xt550.jpg
so seh ich es:
vom alternator fliesst wechselstrom uber 2 weisse kabel zum gleichrichter, Nr.5, und verlaesst diesen um dann im 3-er stecker zu enden. als B(-), Br (+) und R (+)

aber so isses nicht?

Antworten